Site agence Novelty Normandie

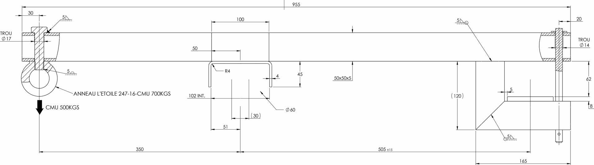
ASD - SC500 Potence

Potence pour série SC500, charge 500 kg, couleur alu. Pour déport moteur ou autre.

Informations
  • Codart : SC500-SUPMOT
Propriétés techniques
  • Dimensions unitaires : 955 x 100 x 200 mm
  • Poids unitaire : 9,41 kg

Documents à télécharger

Nous contacter

Vous avez un projet ou une question ?

Nos équipes sont prêtes à répondre à vos besoins et à concrétiser vos projets. Contactez votre agence locale ou laissez-nous un message, nous serons ravis de vous accompagner.

Contactez-nous